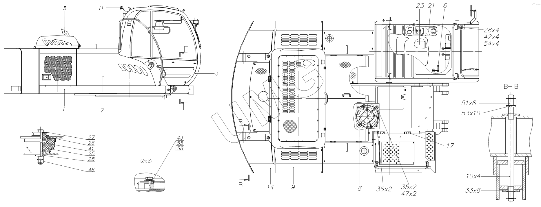
ЕК-18-90. 318-90-20.00.000 Платформа поворотная с механизмами
1
3
5
6
7
8
9
10
11
14
17
21
23
25
26
27
28
28
33
35
36
41
42
43
46
47
51
53
54
55
58
| Позиция на иллюстрации | Заводской номер детали | Название детали | |
|---|---|---|---|
| 1 | 318-19-01.00.000 | Платформа поворотная | |
| 3 | 312-20-02.00.000-50 | Кабина | |
| 5 | 314-22-04.00.000-10 | Установка силовая | |
| 6 | 312-20-05.00.000 | Установка стопора | |
| 7 | 314-20-06.40.000 | Установка бака топливного | |
| 8 | ЭО-3322Б.03.30.000-30 | Механизм поворота | |
| 9 | 314-20-10.40.000 | Капот | |
| 10 | 314-02-20.00.030 | Болт | |
| 11 | 314-20-20.00.100 | Установка кронштейна номерного знака | |
| 12 | 314-20-20.00.400 | Установка фарных блоков | |
| 14 | 318-20-20.15.000-90 | Противовес | |
| 17 | 314-90-80.00.000-10 | Гидрооборудование на поворотной платформе | |
| 19 | 314-23-81.00.000 | Пневмооборудование на поворотной платформе | |
| 21 | 312-20-86.90.000-10 | Управление экскаватором | |
| 23 | 314-20-87.61.000 | Установка отопителя и подогревателя | |
| 25 | 005-04-04.00.007 | Амортизатор | |
| 26 | 005-04-04.00.008 | Амортизатор | |
| 27 | 005-04-04.00.009 | Крышка | |
| 28 | 005-04-04.00.010 | Шайба | |
| 33 | 314-02-20.00.002 | Шайба | |
| 35 | ЭО-3323.10.00.014 | Болт | |
| 36 | ЭО-3323.10.00.016 | Болт | |
| 41 | М16-6gх125.109.40Х.016 | Болт | |
| 42 | М16-6gх35.109.40Х.016 | Болт | |
| 43 | М12-6gх30.58.016 | Болт | |
| 46 | М16-6Н.5.016 | Гайка | |
| 47 | М24-6Н.5.016 | Гайка | |
| 51 | М24-7Н.10.40Х.016 | Гайка | |
| 53 | 24.65Г.016 | Шайба | |
| 54 | 16.65Г.016 | Шайба | |
| 55 | 12.65Г.016 | Шайба | |
| 58 | С12.01.08кп.019 | Шайба | |
| 61 | Анагерм103 | Состав |