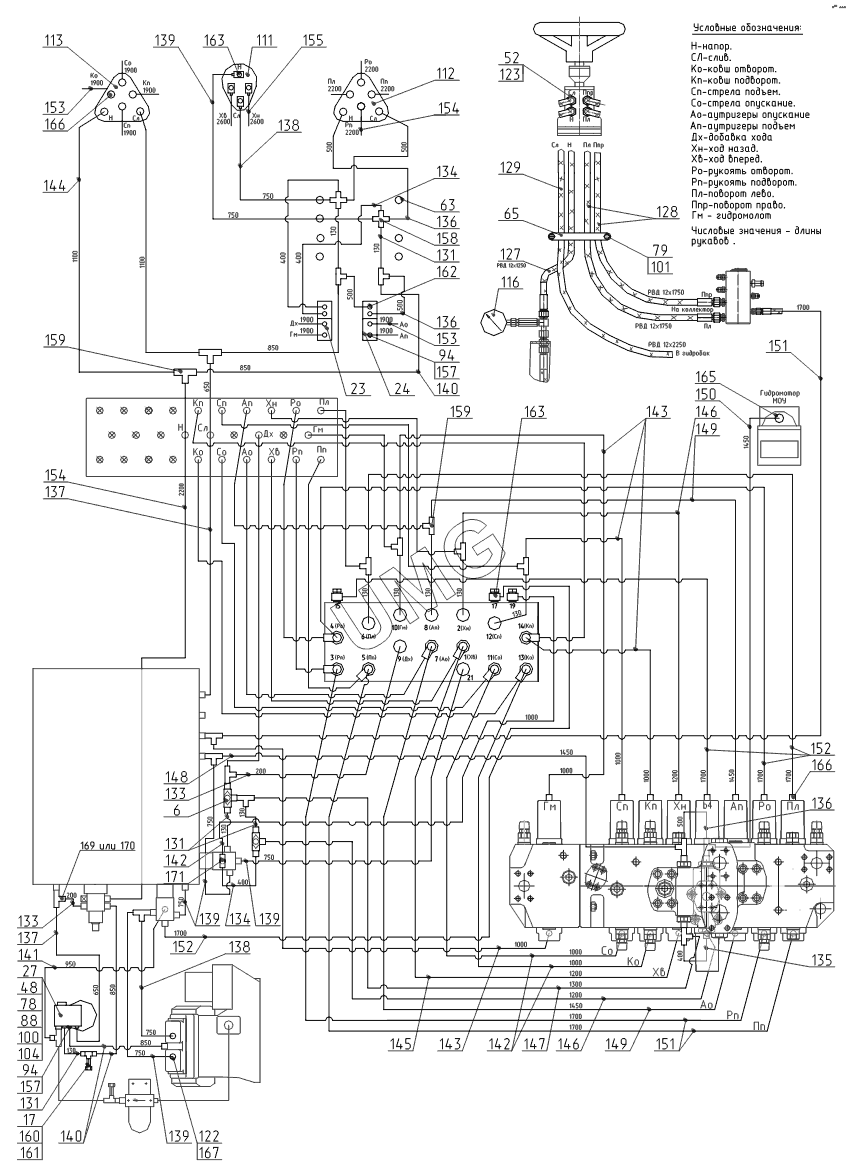
ЕК-18-90. 314-90-80.04.000-10 Гидроуправление экскаватором
6
17
23
24
27
48
52
63
65
78
79
88
94
94
100
101
104
111
112
113
116
122
123
127
128
129
131
131
131
133
133
134
134
135
136
136
136
137
137
138
138
139
139
139
139
140
140
141
142
142
143
143
144
145
146
146
147
148
149
149
150
151
151
152
152
153
153
154
154
155
157
157
158
159
159
160
161
162
163
163
165
166
166
167
169
170
171
| Позиция на иллюстрации | Заводской номер детали | Название детали | |
|---|---|---|---|
| 6 | 314-30-80.04.020 | Клапан «ИЛИ» | |
| 17 | ЭО-3322А.23.02.260 | Включатель манометра | |
| 23 | 13.80.04.940-10 | Блок управления | |
| 24 | 13.80.04.960-10 | Блок управления | |
| 27 | 64002.10.000-10 | Пневмогидроаккумулятор | |
| 48 | ЭО-3322А.23.03.008 | Хомут | |
| 52 | 312-30-80.04.004 | Штуцер | |
| 63 | Э-302-1-1200-40 | Втулка предохранительная | |
| 65 | 18.15.01.001 | Планка | |
| 78 | М8-6gх20.58.016 | Болт | |
| 79 | М10-6gх20.58.016 | Болт | |
| 88 | М8-6Н.5.016 | Гайка | |
| 94 | 012-016-25-2-3 | Кольцо | |
| 100 | 8.65Г.016 | Шайба | |
| 101 | 10.65Г.016 | Шайба | |
| 104 | С8.01.08кп.019 | Шайба | |
| 111 | 2TH7Q91-1X/L70MO1 | Клапан | |
| 112 | 4TH6E70-14/ST23MO1 | Клапан | |
| 113 | 4TH6E70-1X/ТT43MO1 | Клапан | |
| 116 | МТП-3-16МПа-1,5 | Манометр | |
| 122 | 400-766-5590 | Прокладка | |
| 123 | 400-769-5590 | Прокладка | |
| 127 | ТУ3148-001-20871731-94 | Рукав РВД 25-30-650 | |
| 128 | ТУ3148-001-20871731-94 | Рукав РВД 25-30-650 | |
| 129 | ТУ3148-001-20871731-94 | Рукав РВД 25-30-650 | |
| 131 | 2SN-8-350-130 | РВД | |
| 133 | 2SN-8-350-200 | РВД | |
| 134 | 2SN-8-350-400 | РВД | |
| 135 | 2SN-8-350-400 | РВД | |
| 136 | 2SN-8-350-500 | РВД | |
| 137 | 2SN-8-350-650 | РВД | |
| 138 | 2SN-8-350-750 | РВД | |
| 139 | 2SN-8-350-750 | РВД | |
| 140 | 2SN-8-350-850 | РВД | |
| 141 | 2SN-8-350-950 | РВД | |
| 142 | 2SN-8-350-1000 | РВД | |
| 143 | 2SN-8-350-1000 | РВД | |
| 144 | 2SN-8-350-1100 | РВД | |
| 145 | 2SN-8-350-1200 | РВД | |
| 146 | 2SN-8-350-1200 | РВД | |
| 147 | 2SN-8-350-1300 | РВД | |
| 148 | 2SN-8-350-1450 | РВД | |
| 149 | 2SN-8-350-1450 | РВД | |
| 150 | 2SN-6-400-1450 | РВД | |
| 151 | 2SN-8-350-1700 | РВД | |
| 152 | 2SN-8-350-1700 | РВД | |
| 153 | 2SN-8-350-1900 | РВД | |
| 154 | 2SN-8-350-2200 | РВД | |
| 155 | 2SN-8-350-2600 | РВД | |
| 157 | 100406.1 | Адаптер | |
| 158 | 104006.1 | Адаптер | |
| 159 | 103906.1 | Адаптер | |
| 160 | 305102 | Адаптер | |
| 161 | 101806.1 | Адаптер | |
| 162 | 101828.1 | Адаптер | |
| 163 | 101306.1 | Адаптер | |
| 165 | 100605.1 | Адаптер | |
| 166 | 100506.1 | Адаптер | |
| 167 | 100606.1 | Адаптер | |
| 169 | 104606.1 | Адаптер | |
| 170 | 8048L1000 | Адаптер | |
| 171 | 8047L1000 | Адаптер |