Товары
Каталог запчастей
Личный кабинет
Авторизация
Портал для заказа запасных частей
В товарах
В каталоге запчастей
Внимание!!! Сайт только для тестирования.
Каталоги запчастей к технике UMG
ЭКСМАШ
TLH 3510-12
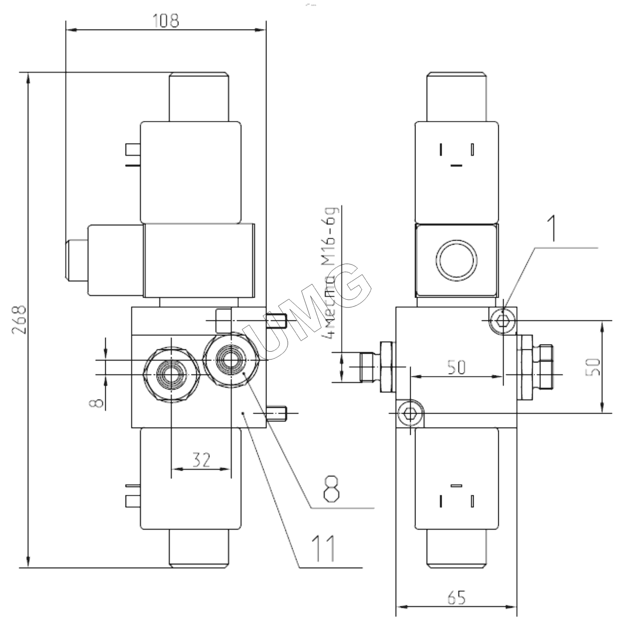
Гидрораспределитель управления мостами в сборе
TLH 3510-12. Гидрораспределитель управления мостами в сборе
zoom-in
zoom-out
enlarge
shrink
circle-right
circle-left
file-text2
info
cart
1
8
11
Позиция на иллюстрации
Заводской номер детали
Название детали
1
26950029378
Винт
8
26950004933
Адаптер
11
26950024930
Клапан
Дополнительная информация
×
Название:
Номер:
Примечание:
АвтоКаталог-онлайн предоставлен
Компанией АвтоСофт