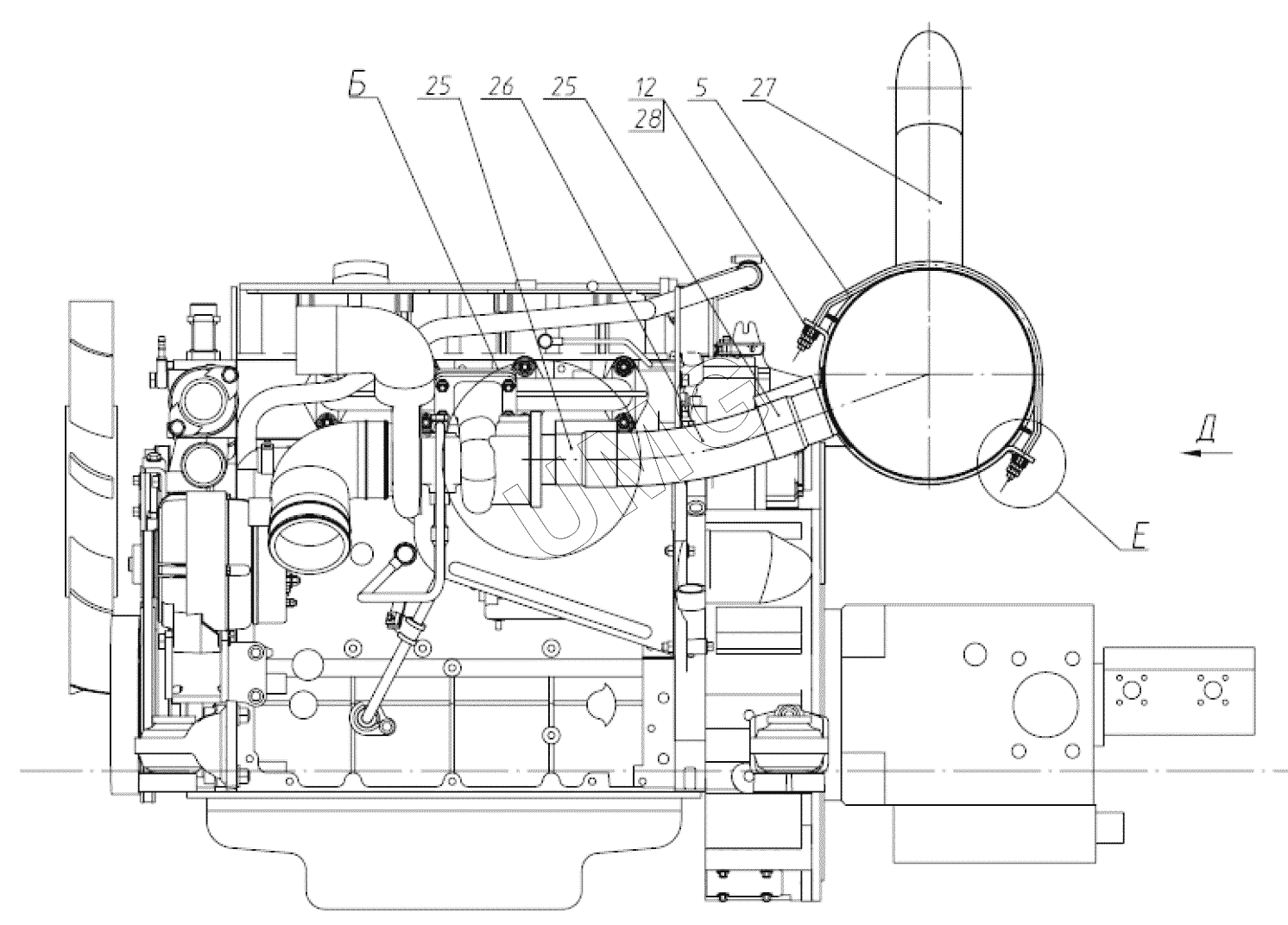
ЭОВ-3523. Установка глушителя (SAE 3) 160-00-28.01.000-02-10
5
12
25
25
26
27
28
| Позиция на иллюстрации | Заводской номер детали | Название детали | |
|---|---|---|---|
| 160-00-28.01.000-02-10 | 160-00-28.01.000-02-10 | Установка глушителя | |
| 3 | 160-00-28.01.400 | Опора глушителя | |
| 4 | 160-00-28.01.600 | Фланец | |
| 5 | 160-00-28.01.001-01 | Хомут | |
| 10 | Болт М10-6gх30.88.35Х.016 | Болт | |
| 12 | Гайка М8-7Н.5.016 | Гайка | |
| 14 | Шайба 10.65Г.016 | Шайба | |
| 22 | Дизельный двигатель | Дизельный двигатель | |
| 23 | Дизельный двигатель | Дизельный двигатель | |
| 24 | Дизельный двигатель | Дизельный двигатель | |
| 25 | 99257/T | Хомут | |
| 26 | 94057 | Гофра | |
| 27 | Глушитель | Глушитель | |
| 28 | Шайба М8 | Шайба |