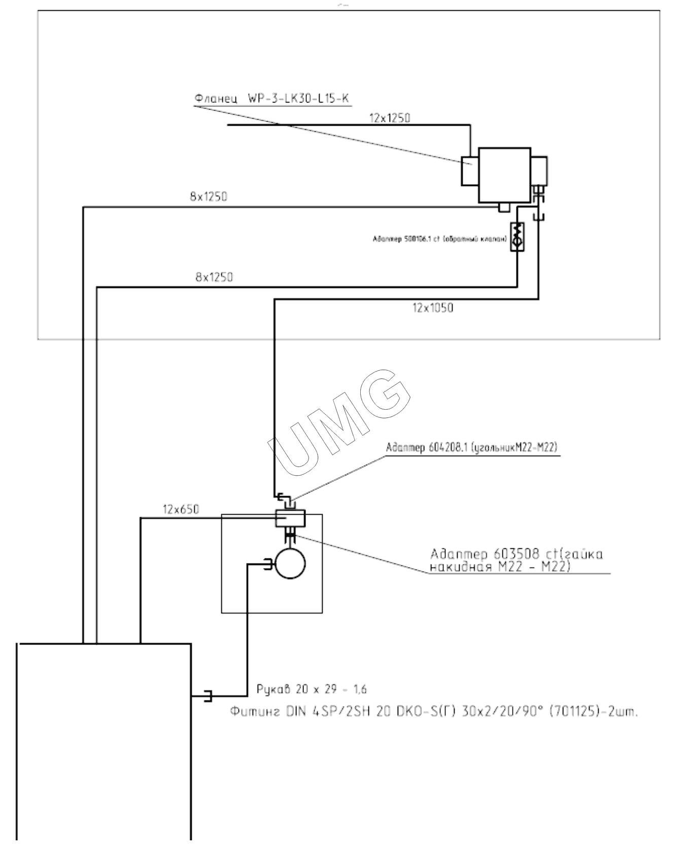
E220C. 170-00-41.50.000 Трубопроводы блока радиаторов
| Позиция на иллюстрации | Заводской номер детали | Название детали | |
|---|---|---|---|
| 170-00-41.50.000 | 170-00-41.50.000 | Трубопроводы блока радиаторов | |
| 5 | 26950019316 | Рукав | |
| 9 | 02120000075 | Винт | |
| 10 | 26950013773 | Винт | |
| 13 | 26950001372 | Адаптер | |
| 14 | 26950002834 | Гидроклапан давления | |
| 15 | 26950020756 | Насос шестерённый | |
| 16 | 26950002315 | Адаптер | |
| 17 | 02100000788 | Адаптер | |
| 19 | 02100000775 | Адаптер | |
| 20 | 26950006772 | Адаптер | |
| 21 | 26950014852 | Измерительная муфта | |
| 22 | 26950008375 | Адаптер | |
| 23 | 26950005773 | Адаптер | |
| 24 | 02080000618 | РВД | |
| 25 | 26950002117 | РВД | |
| 26 | 02080000604 | РВД | |
| 27 | 26950002677 | РВД | |
| 29 | 26950019122 | Фитинг | |
| 31 | 02100000602 | Хомут | |
| 32 | 26950012892 | Фланец | |
| 33 | 26950019121 | Фланец | |
| 34 | 02190000762 | Фланец |