M300. 30-00-41.30.000 Трубопроводы блока радиаторов
| Позиция на иллюстрации | Заводской номер детали | Название детали | |
|---|---|---|---|
| 30-00-41.30.000 | 30-00-41.30.000 | Трубопроводы блока радиаторов | |
| 1 | 30-00-41.00.100 | Труба сливная на калорифер | |
| 2 | 30-00-41.00.110 | Труба сливная из калорифера | |
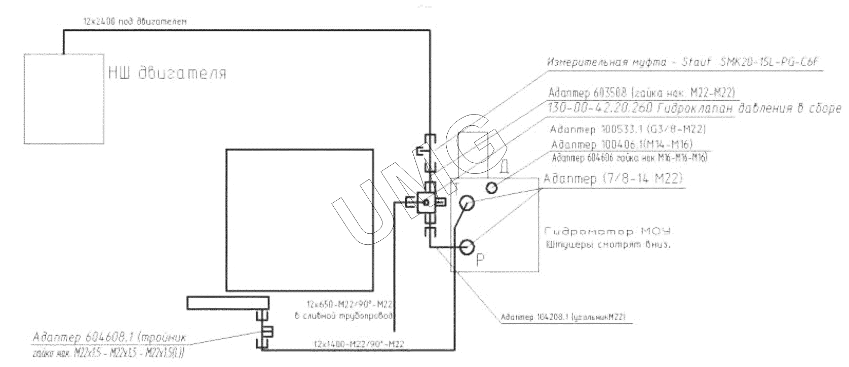
| 3 | 30-00-41.00.150 | Клапан предохранительный | |
| 4 | 30-00-41.00.160-10 | Фланец | |
| 5 | 30-00-42.00.320 | Фланец | |
| 6 | 130-00-42.20.260 | Гидроклапан давления в сборе | |
| 7 | 30-00-41.00.001 | Планка крепежная | |
| 8 | 30-00-41.00.007 | Планка | |
| 9 | 30-00-41.00.003 | Рукав | |
| 10 | 02100000757 | Адаптер | |
| 11 | 26950014993 | Адаптер | |
| 12 | 02100000775 | Адаптер | |
| 13 | 26950002315 | Адаптер | |
| 14 | 26950008375 | Адаптер | |
| 15 | 26950013995 | Адаптер | |
| 16 | 26950014996 | Адаптер | |
| 17 | 26950010425 | Адаптер | |
| 18 | 26950010416 | Адаптер | |
| 19 | 26950009238 | Адаптер | |
| 20 | 26950019197 | РВД | |
| 21 | 26950014998 | РВД | |
| 22 | 02080000605 | РВД | |
| 23 | 02080000615 | РВД | |
| 24 | 02080000670 | РВД | |
| 25 | 26950008571 | Двойной зажим в сборе | |
| 26 | 26950000904 | Седельный зажим стальной | |
| 27 | 26950010717 | Хомут | |
| 28 | 26950010720 | Хомут | |
| 29 | 26950010721 | Хомут | |
| 30 | 26950006810 | Полуфланец | |
| 31 | 26950008735 | Измерительная муфта | |
| 32 | 26950014852 | Измерительная муфта | |
| 33 | 26950008356 | РВД | |
| 34 | 26950010499 | Фитинг | |
| 35 | 26950019259 | Фитинг | |
| 36 | 30-00-41.30.001 | Рукав |