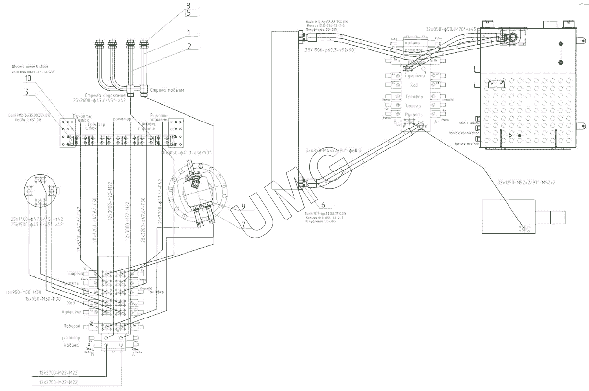
E280WH. Трубопроводы на поворотной платформе
1
2
3
5
6
7
8
9
10
| Позиция на иллюстрации | Заводской номер детали | Название детали | |
|---|---|---|---|
| 26950018676 | 26950018676 | РВД | |
| 26950018672 | 26950018672 | РВД | |
| 26950014842 | 26950014842 | РВД | |
| 26950018673 | 26950018673 | РВД | |
| 26950002884 | 26950002884 | РВД | |
| 26950018675 | 26950018675 | РВД | |
| 26950018674 | 26950018674 | РВД | |
| 26950005980 | 26950005980 | Фитинг | |
| 02080000670 | 02080000670 | РВД | |
| 26950014840 | 26950014840 | РВД | |
| 26950018677 | 26950018677 | РВД | |
| 26950018678 | 26950018678 | РВД | |
| 26950018679 | 26950018679 | РВД | |
| 26950018681 | 26950018681 | РВД | |
| 26950006814 | 26950006814 | РВД | |
| 26950019598 | 26950019598 | РВД | |
| 26950013796 | 26950013796 | Адаптер | |
| 26950006812 | 26950006812 | РВД | |
| 26950018670 | 26950018670 | Фланец | |
| 26950009013 | 26950009013 | Адаптер | |
| 26950016779 | 26950016779 | Адаптер | |
| 26950018575 | 26950018575 | Адаптер | |
| 26950014837 | 26950014837 | Двойной зажим в сборе | |
| 1 | 285-00-41.00.020 | Трубопровод | |
| 2 | 285-00-41.00.030 | Трубопровод | |
| 3 | 285-00-41.00.100 | Кронштейн | |
| 4 | 280-00-40.00.080 | Кронштейн коллектора | |
| 5 | 130-00-41.00.029-01 | Шайба | |
| 6 | 26950006810 | Полуфланец | |
| 7 | 26950018669 | Адаптер | |
| 8 | 26950004835 | Адаптер | |
| 9 | 26950009180 | Адаптер | |
| 10 | 26950006811 | Двойной зажим в сборе | |
| 11 | 26950014836 | Двойной зажим в сборе |