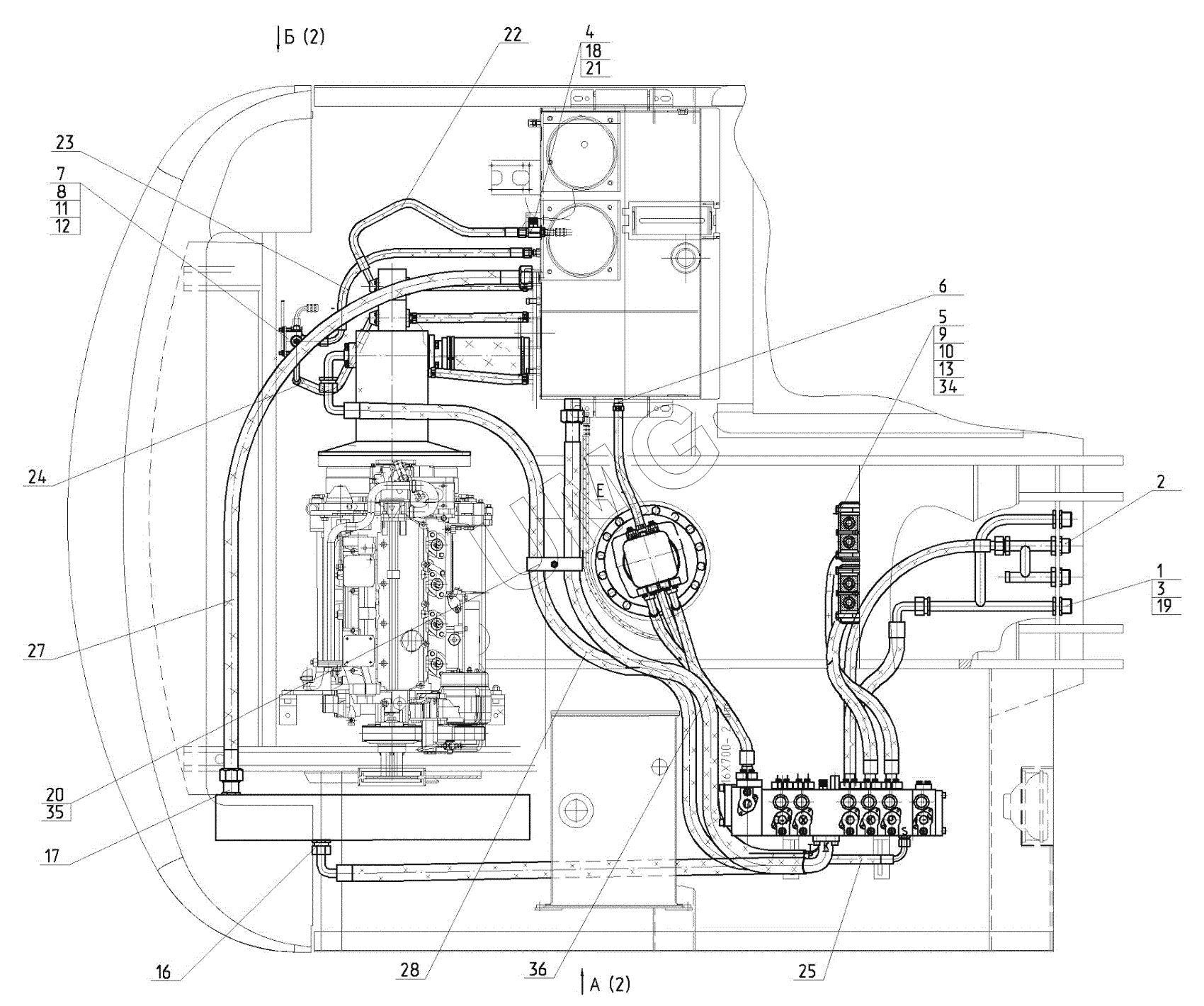
E200W. 160-45-41.00.000 Трубопроводы на поворотной платформе
160-45-41.00.000
1
2
3
4
5
6
7
8
9
10
11
12
13
16
17
18
19
20
21
22
23
24
25
27
28
34
35
36
| Позиция на иллюстрации | Заводской номер детали | Название детали | |
|---|---|---|---|
| 160-45-41.00.000 | 160-45-41.00.000 | Трубопроводы на поворотной платформе | |
| 1 | 160-00-41.00.040-10 | Трубопровод | |
| 2 | 160-00-41.00.050-10 | Трубопровод | |
| 3 | 130-00-41.00.029-10 | Шайба | |
| 4 | 130-00-41.00.033-01 | Штуцер | |
| 5 | 130-00-41.00.034 | Планка прижимная | |
| 6 | 130-00-41.00.035 | Штуцер | |
| 7 | 175-00-41.00.001 | Кронштейн | |
| 8 | 26950011970 | Болт | |
| 9 | 02120000063 | Болт | |
| 10 | 02120000030 | Болт | |
| 11 | 02120000136 | Гайка | |
| 12 | 02120000635 | Шайба | |
| 13 | 02120000627 | Шайба | |
| 14 | 02120000301 | Кольцо | |
| 15 | 02120000303 | Кольцо | |
| 16 | 26950004788 | Адаптер | |
| 17 | 26950005737 | Адаптер | |
| 18 | 02100000790 | Адаптер | |
| 19 | 26950000951 | Адаптер | |
| 20 | 26950008521 | Двойной зажим в сборе | |
| 21 | 02100000267 | Измерительная муфта | |
| 22 | 26950000952 | РВД | |
| 23 | 26950008355 | РВД | |
| 24 | 26950001373 | РВД | |
| 25 | 02080000607 | РВД | |
| 26 | 26950002116 | РВД | |
| 27 | 26950012011 | РВД | |
| 28 | 02080000694 | РВД | |
| 29 | 26950002115 | РВД | |
| 30 | 02080000687 | РВД | |
| 31 | 02080000689 | РВД | |
| 32 | 02080000691 | РВД | |
| 33 | 26950008357 | РВД | |
| 34 | 02100000559 | Тело зажима | |
| 35 | 02100000380 | Планка приварная | |
| 36 | 02110000605 | Хомут пластиковый |