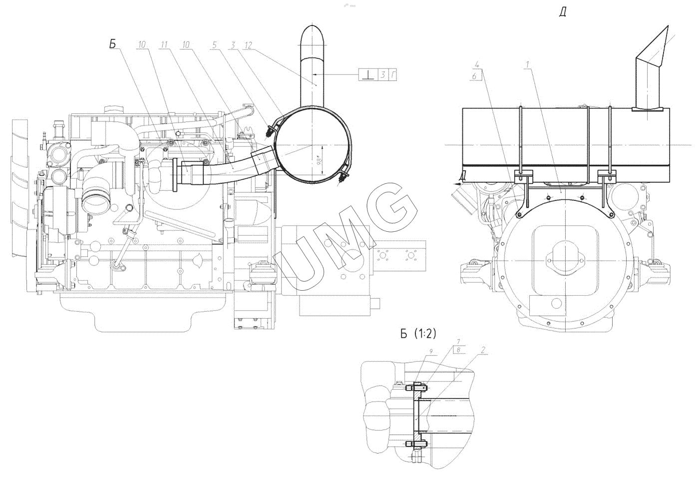
E200W. 160-00-28.01.000-02 Установка глушителя
160-00-28.01.000-02
1
2
3
4
5
6
7
8
9
10
10
11
12
| Позиция на иллюстрации | Заводской номер детали | Название детали | |
|---|---|---|---|
| 160-00-28.01.000-02 | 160-00-28.01.000-02 | Установка глушителя | |
| 1 | 160-00-28.01.400 | Опора глушителя | |
| 2 | 160-00-28.01.600 | Фланец | |
| 3 | 160-00-28.01.001-01 | Хомут | |
| 4 | 02120000013 | Болт | |
| 5 | 02120000136 | Гайка | |
| 6 | 02120000626 | Шайба | |
| 7 | 02100000171 | Гайка | |
| 8 | 02100000176 | Шпилька | |
| 9 | 02100000173 | Прокладка | |
| 10 | 02100000618 | Хомут | |
| 11 | 02100000754 | Гофра | |
| 12 | 26950001432 | Глушитель | |
| 13 | 26950004720 | Шайба |