E200C. 170-00-80.00.000-07-45 Рабочее оборудование
170-00-80.00.000-07-45
26950011606
3
5
7
8
9
10
11
12
12
13
14
14
15
15
16
18
21
21
21
22
23
23
23
24
25
28
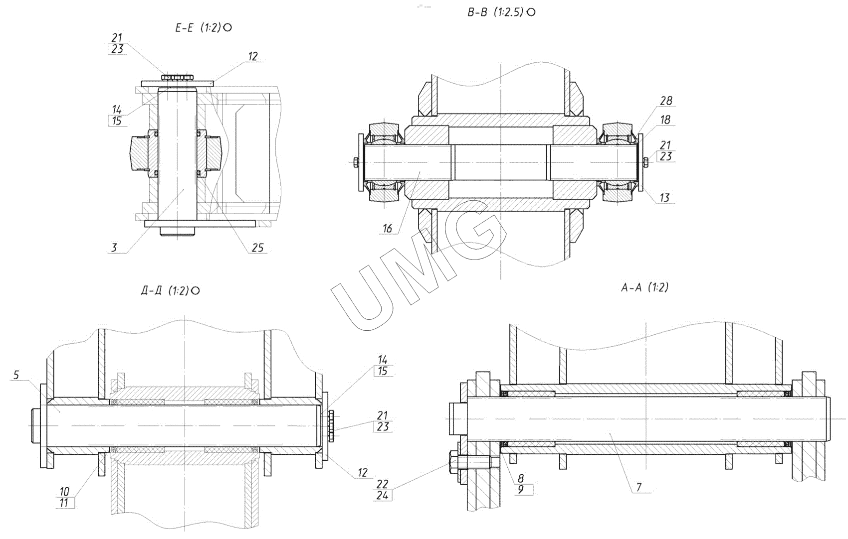
| Позиция на иллюстрации | Заводской номер детали | Название детали | |
|---|---|---|---|
| 170-00-80.00.000-07-45 | 170-00-80.00.000-07-45 | Рабочее оборудование обратной лопаты | |
| 26950011606 | 26950011606 | Колпачок с язычком-фиксатором для пресс-масленок | |
| 1 | 170-47-80.10.000-45 | Стрела в сборе | |
| 2 | 170-00-81.00.000 | Гидрооборудование стрелы | |
| 3 | 130-07-80.50.020 | Палец в сборе | |
| 4 | 160-00-80.50.010-02 | Палец в сборе | |
| 5 | 160-07-80.50.040 | Палец в сборе | |
| 6 | 160-00-83.00.100 | Установка ШС в гидроцилиндры стрелы | |
| 7 | 130-07-80.00.020 | Палец в сборе | |
| 8 | 130-00-80.00.006-60 | Шайба | |
| 9 | 130-00-80.00.006-70 | Шайба | |
| 10 | 130-00-80.00.006-80 | Шайба | |
| 11 | 130-00-80.00.006-90 | Шайба | |
| 12 | 130-00-80.00.011 | Шайба упорная | |
| 13 | 175-00-80.00.009 | Шайба упорная | |
| 14 | 130-07-80.00.004 | Шайба регулировочная | |
| 15 | 130-07-80.00.005 | Шайба регулировочная | |
| 16 | 160-07-80.00.001 | Палец | |
| 17 | 160-00-80.00.019 | Пластина прижимная | |
| 18 | 175-00-80.00.012 | Кольцо | |
| 19 | 175-00-80.00.013 | Кольцо | |
| 20 | 02120000024 | Болт | |
| 21 | 02120000026 | Болт | |
| 22 | 02120000048 | Болт | |
| 23 | 02120000627 | Шайба | |
| 24 | 26950003623 | Шайба | |
| 25 | 26950001405 | Кольцо | |
| 26 | 02100000333 | Масленка | |
| 27 | 195-00-80.00.012 | Уплотнение подшипника шарнирного | |
| 28 | 195-00-80.00.013 | Уплотнение подшипника шарнирного |