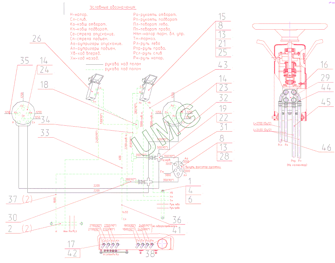
E170W. Гидроуправление в кабине экскаватора 160-45-42.21.000-02
1
2
4
6
8
8
13
13
14
14
15
16
17
18
19
21
22
23
24
25
26
28
29
30
31
32
33
34
35
36
37
38
41
42
43
44
45
46
| Позиция на иллюстрации | Заводской номер детали | Название детали | |
|---|---|---|---|
| 1 | 130-00-42.21.008 | Планка | |
| 2 | 175-00-82.21.002 | Планка | |
| 4 | 130-00-51.00.015 | Планка | |
| 6 | Болт M10-6gx25.88.35X.016 | Болт | |
| 8 | Кольцо 011-014-19-2-3 | Кольцо | |
| 13 | 100406.1 | Адаптер 100406.1 | |
| 14 | 100506.1 | Адаптер 100506.1 | |
| 15 | 101406.1 | Адаптер 101406.1 | |
| 16 | 101418.1 | Адаптер 101418.1 | |
| 17 | 103606.1 | Адаптер | |
| 18 | 103906.1 | Адаптер 103906.1 | |
| 19 | 104006.1 | Адаптер 104006.1 | |
| 21 | 107703 | Адаптер 107703 | |
| 22 | 603506 | Адаптер | |
| 23 | 4ТН 6Е70-1Х/8Т23М01 | Блок управления | |
| 24 | 4ТН 6Е70-1Х/ТТ43М01 | Блок управления | |
| 25 | 230BFM.100 | Блок управления | |
| 26 | 230BFM.100 | Блок управления | |
| 28 | 221ВНM-03 | Блок управления | |
| 29 | НДМ80-У250-16,0-У | Насос-дозатор НДМ80-У250-16,0-У | |
| 30 | РВД | РВД | |
| 31 | РВД | РВД | |
| 32 | РВД | РВД | |
| 33 | РВД | РВД | |
| 34 | РВД | РВД | |
| 35 | РВД | РВД | |
| 36 | РВД | РВД | |
| 37 | РВД | РВД | |
| 38 | РВД | РВД | |
| 40 | РВД | РВД | |
| 41 | РВД | РВД | |
| 42 | РВД | РВД | |
| 43 | РВД | РВД | |
| 44 | РВД | РВД | |
| 45 | РВД | РВД | |
| 46 | РВД | РВД | |
| 48 | Xoмyт пластиковый | Xoмyт пластиковый |